
- वीके-बीआर कांच की बोतलें वॉशिंग मशीन
- वीके-पीएफ तेल भरने की मशीन 4heads
- वीके-वीसी वैक्यूम कैपिंग मशीन
- वीके-आरपीएल गोल बोतलें लेबलिंग मशीन
पूरी तरह से स्वचालित भरने की लाइन को ग्राहक की आवश्यकताओं और खरीदार द्वारा पेश किए गए नमूनों के अनुसार अनुकूलित किया जा सकता है। नीचे खाद्य उद्योग के लिए इस पूरी तरह से स्वचालित भरने की लाइन के लिए बुनियादी जानकारी सूचीबद्ध है:
कांच की बोतलें एयर वॉशिंग मशीन वैक्यूम वॉशर उपकरण
यह हवा से स्वचालित बोतल धोने की मशीन है। इसकी क्षमता हवा से धोने वाले नोजल पर निर्भर करती है।
वायु कंप्रेसर वैक्यूम कंटेनर के अंदर हवा का परिवहन करता है, सोलनॉइड वाल्व और आयन जनरेटर के माध्यम से गैस को शुद्ध किया गया था, श्वासनली गैस शैम्पू गैस धोने के मुंह के माध्यम से बोतलों में गैस उड़ाता है, गैस के दबाव से गैस धोने के मुंह से विदेशी को बाहर निकालता है, उत्सर्जन नियंत्रण के माध्यम से श्वासनली से निकलने वाली अपशिष्ट गैस को वापस बाहर निकालता है।

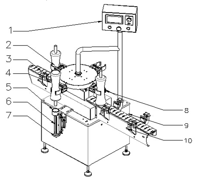
| 1 | कंट्रोल पैनल | 2 | बोतलों |
| 3 | दूध पिलाने की बोतल के लिए बेल्ट | 4 | बोतल से दूध पिलाने के लिए सेंसर |
| 5 | बोतल-फिक्सिंग संरचना | 6 | रिंसिंग इंजेक्ट |
| 7 | इलेक्ट्रोस्टेटिक ट्यूयेर | 8 | बोतलें फिक्सिंग बिंदु |
| 9 | बोतलों के उत्पादन के लिए बेल्ट | 10 | गाइड बार |
कांच की बोतलों के लिए स्वचालित रोटरी एयर वॉशिंग मशीन का मूल पैरामीटर:

मॉडल: वीके-बीआर
बोतल के लिए उपयुक्त: 20-1000ml
उत्पादन क्षमता: 8 सफाई नोजल: 3600~4800bph
वायु दाब सीमा: 6~8किग्रा/सेमी2
वायु खपत: 25m3/h
बिजली आपूर्ति: 220V 50/60Hz
बिजली की खपत: 0.75 किलोवाट
एकल मशीन शोर: ≤70dB
शुद्ध हवा: 0.2μm
सफाई का समय: 3~5s
शुद्ध वजन: 350 किलोग्राम
कुल आयाम: 1200 x 800 x 1600 मिमी
तेल भरने की मशीन 4 सिर रैखिक भराव

माइक्रो कंप्यूटर द्वारा नियंत्रित 4 सिर जैतून भरने की मशीन, वायवीय संचालन के साथ फोटोइलेक्ट्रिसिटी को जोड़ती है, इस प्रकार कृषि रसायन, समाधान, तरल डिटर्जेंट, कॉस्मेटिक और जैतून के तरल भरने के लिए व्यापक रूप से लागू होती है।
भरने की मात्रा सटीक, फोम रहित और स्थिर है। मशीन 25-1000 मिलीलीटर की रेंज में तरल भर सकती है, इस बीच बोतलों के आकार पर कोई विशेष आवश्यकता नहीं है। यानी, यह सामान्य बोतलों के साथ-साथ इरुगुला के आकार की बोतलों के लिए भी तरल भर सकता है।

मॉडल: वीके-पीएफ
भरने की सीमा: 50~3000ml
भरने की गति: <20-30b/m(500-1000ml तरल के लिए)
सटीकता: ±1%
पावर/आपूर्ति शक्ति: 0.8kw、220v
कार्य दबाव: 5~6किग्रा/सेमी3
वायु खपत: 0.5-0.7mpa
उत्तर पश्चिम: 500 किग्रा
बाहरी आयाम: 2000×800×1900मिमी
निशान: भरने की नोजल को भरने की सीमा और भरने की गति पर ग्राहकों की आवश्यकताओं के अनुसार डिजाइन और निर्मित किया जा सकता है
रैखिक वैक्यूम कैपिंग मशीन वीके-वीसी जार कैपर उपकरण:
यह रैखिक कैपिंग मशीन हमारी कंपनी द्वारा वर्षों के अनुभव के साथ शोध और विकसित की गई है, यह घरेलू में अद्वितीय है। कवरिंग, वैक्यूम कैपिंग के साथ स्वचालित रूप से कैप की व्यवस्था एकीकृत।
उच्च वैक्यूम प्राप्त करने के लिए मैनुअल वैक्यूम पंप को अपनाया गया। बिना बोतल के कवर के, बिना ढक्कन के अलार्म बजने के कार्यों के साथ। उच्च स्वचालन का आनंद लिया। मुख्य वायवीय और विद्युत भाग विश्व प्रसिद्ध ब्रांडों से हैं।
स्थिर और विश्वसनीय प्रदर्शन के साथ। यह डिब्बाबंद भोजन, पेय पदार्थ, मसाला, स्वास्थ्य देखभाल उत्पादों आदि के उद्योगों में लोहे के कैप वाले ग्लास जार के वैक्यूम कैपिंग के लिए व्यापक रूप से उपयोग किया जाता है।

पावर: ≤2.3KW (वैक्यूम पंप सहित)
उत्पादन क्षमता: 50-60बीपीएम
कैप व्यास: ¢30-¢55मिमी ¢50-¢85मिमी
बोतल की ऊंचाई: 80-250 मिमी
बोतल का व्यास: ¢30-¢85 मिमी
अधिकतम वैक्यूम: -0.08mpa
कैपिंग टॉर्शन: 5-20N.M
वायु खपत: 0.6M3/0.7Mpa
मशीन आयाम: लगभग 3000×1000×1900मिमी
वजन: लगभग 850 किग्रा
वीके-आरपीएल गोल बोतलें जार लेबलिंग मशीन

आवेदन पत्र: लेबल या उत्पाद से जुड़ी झिल्ली की परिधिगत सतह की आवश्यकता होती है।
उद्योग: व्यापक रूप से भोजन, दवा, सौंदर्य प्रसाधन, कॉस्मेटिक, इलेक्ट्रॉनिक, धातु, प्लास्टिक और अन्य उद्योगों में उपयोग किया जाता है।
आवेदन पत्र: पीईटी गोल बोतल लेबलिंग, प्लास्टिक की बोतलें लेबलिंग, डिब्बाबंद भोजन और इतने पर।

उपयुक्त लेबल लंबाई (मिमी): 20मिमी ~ 314मिमी
लागू लेबल चौड़ाई (बैकिंग पेपर चौड़ाई / मिमी): 15 मिमी ~ 150 मिमी
लागू उत्पाद व्यास (गोल बोतल के लिए) और ऊंचाई: व्यास: φ25mm ~ φ100mm
ऊंचाई: 25मिमी ~ 230मिमी
लागू मानक रोल व्यास (मिमी): φ280mm
लागू मानक रोल व्यास (मिमी): φ76मिमी
लेबलिंग सटीकता (मिमी): ± 1मिमी
मानक गति (मी/मिनट): सर्वो: 5 ~ 25मी/मिनट स्टेपिंग: 5 ~ 19मी/मिनट
लेबलिंग गति (पीसी/मिनट): चरण: 30 ~ 80पीसी/मिनट (बोतल और लेबल आकार के साथ)
सर्वो: 40 ~ 120 पीस/मिनट
कन्वेयर गति (मी/मिनट): 5 ~ 25मी/मिनट
वजन (किलोग्राम): लगभग 185 किग्रा
आवृत्ति (HZ): 50HZ वोल्टेज (V): 220V
पावर (W): 530W (ट्रैक्शन स्टेपर) 980W (ट्रैक्शन सर्वो)
डिवाइस आयाम (मिमी) (लंबाई × चौड़ाई × ऊंचाई): 1950मिमी × 1100मिमी × 1300मिमी


लकड़ी के मामले पैकिंग:

फिलिंग लाइन के लिए बिक्री के बाद सेवा

हम 12 महीनों के भीतर मुख्य भागों की गुणवत्ता की गारंटी देते हैं। यदि एक वर्ष के भीतर कृत्रिम कारकों के बिना मुख्य भाग खराब हो जाते हैं, तो हम उन्हें स्वतंत्र रूप से प्रदान करेंगे या आपके लिए उनका रखरखाव करेंगे। एक वर्ष के बाद, यदि आपको भागों को बदलने की आवश्यकता है, तो हम आपको सबसे अच्छी कीमत प्रदान करेंगे या आपकी साइट पर इसका रखरखाव करेंगे। जब भी आपको इसका उपयोग करने में तकनीकी प्रश्न होगा, तो हम आपकी सहायता करने के लिए स्वतंत्र रूप से अपना सर्वश्रेष्ठ प्रयास करेंगे।
गुणवत्ता की गारंटी :
निर्माता को यह गारंटी देनी होगी कि सामान निर्माता की सर्वोत्तम सामग्री से बना है, प्रथम श्रेणी की कारीगरी के साथ, एकदम नया, अप्रयुक्त है और इस अनुबंध में निर्धारित गुणवत्ता, विनिर्देश और प्रदर्शन के साथ सभी मामलों में मेल खाता है। गुणवत्ता गारंटी अवधि B/L तिथि से 12 महीने के भीतर है।
निर्माता गुणवत्ता गारंटी अवधि के दौरान अनुबंधित मशीनों की निःशुल्क मरम्मत करेगा।
यदि खराबी क्रेता द्वारा अनुचित उपयोग या अन्य कारणों से हुई हो, तो निर्माता मरम्मत भागों की लागत वसूल करेगा।
स्थापना और डिबगिंग:
विक्रेता अपने इंजीनियरों को इंस्टॉलेशन और डिबगिंग का निर्देश देने के लिए भेजेगा। लागत खरीदार की तरफ से वहन की जाएगी (राउंड वे फ्लाइट टिकट, खरीदार के देश में आवास शुल्क)। खरीदार को इंस्टॉलेशन और डिबगिंग के लिए अपनी साइट सहायता प्रदान करनी चाहिए।









