
- कैपिंग गति: 15-30 टुकड़े/मिनट
- रेटेड वोल्टेज: 110V/60Hz(अमेरिकी मानक)
- मशीन पावर: 0.8KW
- एम्पीयर: 2.2A
- बाहरी आयाम: 2230*1460*1600 MM(L*W*H)
- वायु दाब: 0.7 एमपीए
- वजन: लगभग 300 किलोग्राम
बोतल कैपिंग मशीन शुरू करने से पहले अधिसूचना
1: मशीन को प्लग इन करने से पहले, सुनिश्चित करें कि पावर स्विच बंद अवस्था में है, और फिर निर्देशों का पालन करें।
2: यदि मशीन लंबे समय तक नहीं चलती है, तो इसे सूखे कपड़े के टुकड़े से पोंछना चाहिए और किसी भी संक्षारक सफाई एजेंट से साफ नहीं करना चाहिए।
3: मशीन के इलेक्ट्रिक बॉक्स में किसी भी तरल पदार्थ को छिड़कना सख्त वर्जित है, ताकि आंतरिक विद्युत घटकों को जंग लगने से बचाया जा सके और शॉर्ट सर्किट न हो।
4: उपकरण पैकिंग सूची मॉडल, विनिर्देशों और उपकरणों और सामग्रियों की मात्रा के अनुसार जांच करें ताकि यह सुनिश्चित किया जा सके कि वे डिजाइन और उत्पाद मानकों की आवश्यकताओं को पूरा करते हैं और अनुरूपता के प्रमाण पत्र के साथ हैं।
5: उपकरण की बनावट की जांच करें ताकि यह सुनिश्चित हो सके कि यह किसी भी प्रकार के विरूपण, क्षति और क्षरण से मुक्त है, तथा सभी स्पिंडल बिना किसी रुकावट के लचीले ढंग से घूम रहे हैं।
6: यह मशीन एकल फेज AC 110V के तहत काम कर रही है, और फ्लैट 3-लेग्ड पावर प्लग को ग्राउंड वायर के साथ पावर सॉकेट में प्लग किया जाना चाहिए।
तकनीकी मापदंड

- कैपिंग गति: 15-30 टुकड़े/मिनट
- रेटेड वोल्टेज: 110V/60Hz(अमेरिकी मानक)
- मशीन पावर: 0.8KW
- एम्पीयर: 2.2A
- बाहरी आयाम: 2230*1460*1600 MM(L*W*H)
- वायु दाब: 0.7 एमपीए
- वजन: लगभग 300 किलोग्राम
कैपिंग मशीन का विवरण:



मशीन की संरचना

ऑप्टिकल फाइबर इलेक्ट्रिक आई विवरण
बोतलों का पता लगाने के लिए इलेक्ट्रिक आंख:

जब इसे स्वचालित मोड में संचालित किया जाता है, तो इस इलेक्ट्रिक आंख का उद्देश्य अंदर आने वाली बोतलों का पता लगाना होता है।
जब आने वाली बोतल का पता चलता है, तो "टर्नटेबल" घूम जाता है।
लिड-डिलीवरी इलेक्ट्रिक आई

जब इसे स्वचालित मोड में संचालित किया जाता है, तो इस इलेक्ट्रिक आई का उद्देश्य आने वाले आवरणों का पता लगाना होता है।
जब आने वाले ढक्कन का पता चलता है, तो सामग्री लेने के लिए "बाहर निकालने की प्रणाली" ऊपर उठती है।
लिड-डिलीवरी इलेक्ट्रिक आई

जब इसे स्वचालित मोड में संचालित किया जाता है: इस इलेक्ट्रिक आंख का उद्देश्य अंदर आने वाली बोतलों का पता लगाना है।
जब अंदर आती बोतल का पता चलता है, तो "लॉक कैप तंत्र" लॉक कैप को नीचे की ओर घुमा देता है।
स्विच बटन और वायरिंग पोर्ट
टच स्क्रीन और आपातकालीन स्टॉप

फ़ीड मोटर और ढक्कन कंपन प्लेट नियंत्रक

कंपन प्लेट नियंत्रक

कंपन प्लेट नियंत्रक: वोल्टेज समायोजित करके, निर्वहन गति समायोजित करें।
पावर स्विच और सॉकेट

मोटर नियंत्रक

आवृत्ति ट्रांसफार्मर: आवृत्ति ट्रांसफार्मर बटन को समायोजित करके, मोटर की गति को समायोजित करें।
अलार्म और समस्या निवारण विधि:
1. आपातकालीन स्टॉप दबाया गया है। मशीन कैप और टच स्क्रीन के बगल में आपातकालीन स्टॉप को दबाएं।
2. आउटपुट सेट मान पर पहुँच जाता है। आउटपुट सेट करें, वर्तमान आउटपुट को साफ़ करने के लिए क्लियर बटन दबाएँ।
3. जब लंबे समय तक कैप का पता न चले, तो कृपया जाँच करें। बोतल कैप इंडक्शन फाइबर की जाँच करें कि यह ठीक से लगा हुआ है या नहीं। जाँच करें कि कैप अपनी जगह पर हैं या नहीं।
4. जब लंबे समय तक बोतलें नहीं मिल पाती हैं, तो कृपया जांच लें। जांचें कि बोतलें अपनी जगह पर हैं या नहीं।
विद्युत नेत्र समायोजन:
एम्पलीफायर संरचना

ऑप्टिकल फाइबर के लिए आरेख:

1. ऑप्टिकल फाइबर लॉक बार
2. परिचालन स्थिति सूचक
3. सेट
4. डीएससी सूचक प्रकाश
5. डिजिटल मॉनिटर
6. मैनुअल बटन
7. विस्तारित सुरक्षा कवर
8. विस्तार कनेक्टर
9. पावर चयनकर्ता स्विच
10. मोड बटन
11. आउटपुट चयनकर्ता
12. केबल्स
13. धूल रक्षक
14. मान सेट करें (हरे रंग में)
15. वर्तमान मूल्य (लाल रंग में)
फाइबर ऑप्टिकल सेटिंग के लिए कार्य प्रक्रिया
- जब विद्युत आँख अंतराल में गिरती है, तो लाल धारा का मान 144 होता है।
- जब विद्युत आँख लेबल पर पड़ती है, तो लाल धारा मान 4 होता है।
- सेट मूल्य को समायोजित करें", इलेक्ट्रिक आंख शरीर के कागज पर है (पता लगाए जाने वाले वस्तुओं के बीच के अंतराल में) मूल्य का लगभग 1/2 और इलेक्ट्रिक आंख कागज पर है जो मूल्य सेट मूल्य (144 4) / 2 = 74 है, सेट मूल्य को 74 पर समायोजित करने के लिए मैनुअल बटन समायोजित करें।
- लेबल के अंतर को इलेक्ट्रिक आई स्थान और लाल “सिग्नल लाइट/इंडिकेटर लाइट” में आगे-पीछे करें।
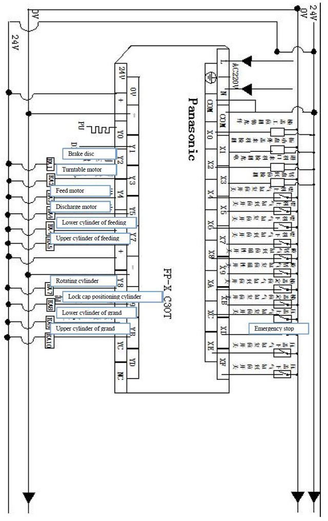
सर्किट आरेख



रखरखाव बोतलें कैपिंग मशीन

1. मशीन को लम्बा करने और मशीन के कार्य को अनुकूलित करने के लिए मशीन की जांच और रखरखाव करना आवश्यक है;
- कार्यशील मशीन का हर तीन महीने में रखरखाव किया जाना चाहिए;
- बेयरिंग और गियर ट्रांसमिशन भाग को ग्रीस से चिकना किया जाना चाहिए;
- स्नेहन समय-समय पर किया जाना चाहिए;
- स्लाइड वे तेल (N68) को प्रतिदिन दो बार घूमने वाले तंत्र गति या उठाने जैसे भाग में जोड़ा जाना चाहिए;
- ऑटोमोबाइल तेल (N68) को रोटरी या स्विंगिंग भागों में जोड़ा जाना चाहिए;
- हर आधे महीने में कैम स्लॉट में ग्रीस डालें;
- हर महीने एक बार तेल नोजल के लिए ग्रीस जोड़कर;
2. कभी भी धातु के औजारों का उपयोग करके उस सतह को न खुरचें, जहां घटकों या सांचों जैसे भागों पर बंधन एकत्रित हो गया हो।
3. यदि मशीन लंबे समय तक चलना बंद हो जाती है तो ट्रांसमिशन या बेयरिंग भाग जैसे भागों में स्नेहन के लिए ग्रीस जोड़ें; मशीन को जलरोधी सुरक्षा के साथ भी उपचारित करें।
4. मशीन पर कभी भी कोई वस्तु न रखें, नहीं तो मशीन को नुकसान पहुंचेगा।
5. घटकों के अंदर की धूल को समय-समय पर साफ करें तथा सभी स्क्रू की जांच करें और यदि कोई स्क्रू ढीला हो तो उसे ठीक करें।
6. वायरिंग के लिए टर्मिनलों में स्क्रू को एक निश्चित समय पर जांचें और सुनिश्चित करें कि स्क्रू ठीक से लगा हुआ है;
7. जाँच करें कि विद्युत बक्सों से फैले तारों के मार्ग में कोई ढीला स्टेशन तो नहीं है; यदि भाग बहुत ढीला है तो पेंच को पुनः लगा दें ताकि इन्सुलेशन परत में घर्षण या क्षति से बचा जा सके जो विद्युत रिसाव का कारण बन सकता है।
8. आसानी से घिस जाने वाले जूतों की जांच करें और क्षतिग्रस्त जूतों को समय पर बदलें;









