
- कैपिंग हेड: 2 पीस सर्वो-मोटो ड्राइविंग
- वोल्टेज: 220V, 50/60HZ;
- पावर:3.0 किलोवाट
- वायु दाब: 0.5–0.7Mpa
- एम्पीयर: 8.5A
- गति: 40-45/मिनट (जार के आकार और आकार के अनुसार अनुकूलित)
- उपयुक्त उत्पाद व्यास: φ28-φ125mm ढक्कन(गैर मानक अनुकूलित)
- ग्रंथि पास दर: ≥99.5% (ढक्कन और बोतल त्रुटि पर निर्भर करता है)
- मशीन का आकार: 3300*1150मिमी*1908मिमी
- वजन: 450 किग्रा
मशीन की बिजली चालू करने से पहले। कृपया सुरक्षा मामलों और मशीन के सही उपयोग के लिए इस मैनुअल को ध्यान से पढ़ें। कार्मिक दुर्घटनाओं से बचने और मशीन के नुकसान की आवृत्ति को कम करने के लिए।
संक्षारक उत्पादों के मामले में, संक्षारक वस्तुओं के मशीन और कर्मचारियों पर स्पर्श या छींटे पड़ने से बचने का ध्यान रखें।
- कंपन या टक्कर वाले स्थानों पर मशीन का उपयोग करने से बचें।
- जब मशीन चल रही हो तो कर्मचारी का शरीर उसके गतिशील भागों को नहीं छू सकता।
- मशीन को अत्यधिक नमी वाले स्थानों पर जाने से बचना चाहिए। तथा इसे बिजली की आपूर्ति में इनपुट करें, ग्राउंड वायर को सही तरीके से ग्राउंड करें, ताकि सुरक्षा दुर्घटना से बचा जा सके।
- ऑपरेटर को सामान्य शारीरिक और मानसिक स्थिति बनाए रखनी चाहिए, यदि आप शराब, नींद की गोलियां या अन्य दवाएं लेते हैं जो आपकी मानसिक स्थिति के लिए हानिकारक हैं, तो मशीन का संचालन बंद कर दें।
- रोलिंग भागों में कपड़ों के फंसने से होने वाली चोट से बचने के लिए ऑपरेटर को उचित कपड़े पहनने चाहिए तथा मशीन पर कोई भी बाहरी वस्तु नहीं रखनी चाहिए।
- यदि उपयोग के दौरान शोर या अन्य असामान्यताएं होती हैं, तो तुरंत रोकें और जांच करें। गैर-इंजीनियरिंग तकनीशियन, कृपया मनमाने ढंग से मशीन के हिस्सों को स्थानांतरित न करें।
- नियमित (एक बार/साप्ताहिक) रखरखाव और देखभाल, मशीन की सफाई करते समय पानी या किसी तरल पदार्थ के छींटे पड़ने से बचना, तथा इलेक्ट्रॉनिक नियंत्रण बॉक्स या अन्य विद्युत घटकों को मशीन से दूर रखना।
- कृपया सामान्य संचालन प्रक्रियाओं के अनुसार काम करें और मशीन की सतह को साफ और सुव्यवस्थित बनाए रखें।
कैपर मशीन का उपयोग सभी प्रकार के कॉस्मेटिक, दवा, पशु चिकित्सा, कीटनाशक, चिकनाई तेल और अन्य औद्योगिक क्षेत्रों में पैकेजिंग प्रक्रिया में किया जाता है।





जार कैपिंग मशीन का सिद्धांत और विशेषताएं:
- विद्युत स्वत: नियंत्रण, यह स्थिर है;
- कैपिंग पोजिशनिंग डिवाइस के साथ, लॉक कवर मानक, ऑपरेशन सुविधाजनक है;
- लॉक कवर की एक विस्तृत श्रृंखला, टोपी के विभिन्न आकार विनिर्देशों स्पिन कर सकते हैं;
- कैपिंग गति, स्पिन की जेल, एक साथ भी रिवाइंडिंग की जकड़न को समायोजित करने की आवश्यकता हो सकती है।


कॉस्मेटिक जार कैपिंग मशीन के बुनियादी पैरामीटर:

1. कैपिंग हेड: 2 पीस सर्वो-मोटो ड्राइविंग
2. वोल्टेज: 220V, 50/60HZ;
3. पावर: 3.0 किलोवाट
4. वायु दाब: 0.5--0.7Mpa
5. एम्पीयर: 8.5A
6. गति: 40-45 / मिनट (जार आकार और आकार के अनुसार अनुकूलित)
7. उपयुक्त उत्पाद व्यास: φ28-φ125 मिमी ढक्कन (गैर मानक अनुकूलित)
8. ग्रंथि पास दर: ≥99.5% (ढक्कन और बोतल त्रुटि पर निर्भर करता है)
9. मशीन का आकार: 3300*1150मिमी*1908मिमी
10. वजन:450किग्रा
होस्ट भाग विवरण


पावर स्विच: बिजली आपूर्ति को चालू-बंद पर नियंत्रित करें।
पावर इंडिकेटर: पावर ऑन-हरी लाइट ऑन, पावर ऑफ--हरी लाइट ऑफ।
आपातकालीन स्टॉप: आपातकालीन या खराबी के दौरान मशीन को तुरंत रोकने या फ़ंक्शन को रीसेट करने के लिए उपयोग किया जाता है।
1. फोटोइलेक्ट्रिक प्रारंभ करें: मशीन चालू है, जब फोटोइलेक्ट्रिक डिटेक्शन यह पता लगाता है कि बोतल है और ढक्कन है, तो टर्नटेबल काम करना शुरू कर सकता है। यदि दो फोटोइलेक्ट्रिक्स में से एक का पता नहीं चलता है, तो टर्नटेबल घूमता नहीं है।
2. मूल फोटोइलेक्ट्रिक: इसका उपयोग टर्नटेबल पोजिशनिंग को चलाने के लिए स्टेपिंग मोटर को नियंत्रित करने के लिए किया जाता है, ताकि बोतल को कवर में आसानी से डाला जा सके।
3. कैप फोटोइलेक्ट्रिसिटी: जाँच करें कि क्या कवर अपनी जगह पर है और फोटोइलेक्ट्रिकली पता लगाएं कि घूमने के लिए कवर टर्नटेबल है या नहीं।
4. कवर फोटोइलेक्ट्रिसिटी: ऊपरी कवर मशीन की शुरुआत और रोक को नियंत्रित करना, जब ऊपरी कवर मशीन द्वारा प्रदान किए गए कवर को फोटोइलेक्ट्रिक द्वारा पता लगाए गए स्थान पर सॉर्ट किया जाता है, तो फोटोइलेक्ट्रिकिटी हमेशा उज्ज्वल होती है, कवर मशीन कवर के लिए बंद हो जाती है, और बुद्धिमान कवर लागू होता है।
5. लॉक कवर फोटोइलेक्ट्रिसिटी: जब ढक्कन के साथ बोतल गुजरती है, तो फोटोइलेक्ट्रिक डिटेक्शन का पता लगाया जाता है, और लॉक कवर को सेट विलंब समय के अनुसार सक्रिय किया जाता है (मशीन को समायोजित करते समय विशिष्ट पैरामीटर कन्वेयर बेल्ट की गति के अनुसार समायोजित किए जाते हैं)।
6. लॉक कवर प्रणाली: ढक्कन वाली बोतल एक ही है, फोटोइलेक्ट्रिक स्टार्ट देरी, सिलेंडर क्लैंप बोतल में देरी, लॉक कैप कम हो गई है, पकड़ कवर - पेंच कैप - ग्रिपर रिलीज - लॉक कैप बढ़ जाती है - क्लिप बोतल ढीली होती है, और लॉक कैप प्रक्रिया पूरी हो जाती है। लॉक कवर में, जब 1 # लॉक कवर लॉक कवर में होता है, तो एक और बोतल प्रवेश करती है। इस समय, 2 # क्लैंप बोतल सिलेंडर चलता है, और 2 # लॉक कवर कवर को लॉक करने के लिए सक्रिय होता है। (जब 2 # लॉक हेड द्वारा लॉक की गई टोपी 1 # क्लिप बोतल को पार करती है, तो लॉक कवर को दोहराएं नहीं।

मानव-मशीन इंटरफ़ेस विवरण

बूट पृष्ठ
3.1 बूट पेज में अंग्रेजी, चीनी ऑपरेशन चयन है, यदि आप चीनी बटन चुनते हैं, तो निम्नलिखित इंटरफ़ेस दर्ज करें:

दूसरा इंटरफ़ेस
रुकना: पूरी मशीन का स्टार्ट स्विच, इस कुंजी को स्पर्श करें, मशीन स्वचालित मोड में चलती है, फिर से इस कुंजी को स्पर्श करें, मशीन चलना बंद हो जाती है।
परीक्षण गेट: मशीन के संचालन का परीक्षण करें.
टर्नटेबल गति: गति पैरामीटर जितना अधिक होगा, गति उतनी ही तेज़ होगी, गति पैरामीटर उतना ही धीमा होगा। (लेकिन इसकी एक अधिकतम सीमा है।)
टर्नटेबल विलंब: टर्नटेबल स्टार्ट-अप समय सेटिंग्स, टर्नटेबल चल चिकनी प्रभाव के अनुसार सेट करने के लिए।
विलंब की सीमा: निर्दिष्ट स्टेशन के लिए टर्नटेबल के बाद, प्रतीक्षा समय में देरी, सिलेंडर कार्रवाई टोपी।
कैपिंग समय: सिलेंडर को सील करने में लगने वाला समय.
आउटपुट: लॉक कवर की संख्या का रिकॉर्ड पूरा करें, सुविधाजनक उत्पादन गिनती। साफ़ करने के लिए रीसेट कुंजी दबाएँ।
X1. X3. X14: जाँच करें कि क्या फोटोइलेक्ट्रिक प्रतिबिंब की कार्यशील स्थिति में है, मशीन की स्थिति के संचालन को देखना आसान है,
कैपिंग पैरामीटर: इस कुंजी को दबाएं और निम्नलिखित इंटरफ़ेस में प्रवेश करें:

इंटरफ़ेस एक पैरामीटर पेज है जिसे सर्वो लॉक कवर सिस्टम में 1 # लॉक हेड की प्रत्येक क्रिया के लिए सेट किया जाना है, मापदंडों की उचित सेटिंग मशीन की स्थिरता और दक्षता में सुधार के लिए फायदेमंद है।
वापस करना: दूसरे इंटरफ़ेस पर लौटने के लिए इस बटन को दबाएँ।
आई/ओ: निम्नलिखित इंटरफ़ेस में प्रवेश करने के लिए यह बटन दबाएँ:

एक्स श्रृंखला अंक: इनपुट बिंदु यह पता लगाने के लिए है कि क्या फोटोइलेक्ट्रिक कार्यशील स्थिति में है, मशीन के संचालन को देखना आसान है, आसान रखरखाव।
Y श्रृंखला अंक: क्या कार्यकारी घटकों के आउटपुट बिंदु की प्रतिक्रिया सामान्य स्थिति में है, आप यह जांचने के लिए नियंत्रण कुंजी को मैन्युअल रूप से दबा सकते हैं कि निष्पादन घटक सामान्य हैं या नहीं।
कैप फीडर प्रणाली: कवर करने के लिए निर्धारित दिशा के अनुसार स्थिर और व्यवस्थित किया जा सकता है।
झुकाव समायोजन: रिवर्स ढक्कन को नियंत्रित करने के लिए उचित कोण समायोजित किया जा सकता है ताकि स्लाइड में चढ़ाई न हो।
आवृत्ति कनवर्टर विनियमन: कवर की गति को नियंत्रित करें.


जार कैपिंग उपकरण रखरखाव:
1. सुरक्षा सुनिश्चित करने के लिए मशीन को बिजली और गैस बंद होने की स्थिति में बनाए रखें। मशीन को साफ और सुव्यवस्थित रखें, मशीन पर कोई छोटी-मोटी चीजें, कोई छोटा सामान, सामान, बोल्ट आदि न रखें।
2. और तंत्र की अच्छी चलने की स्थिति सुनिश्चित करने के लिए चलती भाग तंत्र पर नियमित रूप से चिकनाई तेल जोड़ा जाता है।
3. सिलेंडर का उचित उपयोग सुनिश्चित करने और सेवा जीवन को लम्बा करने के लिए एयर फिल्टर यूनिट से नियमित रूप से पानी निकालें और चिकनाई तेल डालें।
4. मशीन की नियमित रूप से जाँच और मरम्मत करें। मशीन ठीक से काम कर रही है या नहीं, यह सुनिश्चित करने के लिए आँखों और कानों से उपकरण की चालू स्थिति का आकलन करें।
टिप्पणी: कृपया निर्देशों के अनुसार सख्ती से उपयोग और रखरखाव करें, वारंटी अवधि को खोलने और अलग करने के लिए सख्ती से प्रतिबंधित है, अन्यथा इससे होने वाली क्षति मानव क्षति के रूप में होगी, कोई निःशुल्क मरम्मत नहीं। यह निर्देश बिना किसी सूचना के परिवर्तन के अधीन है; यदि इस मशीन के संचालन के बारे में अभी भी कोई अनिश्चितता है, तो कृपया पूछताछ के लिए किसी भी समय हमें कॉल करें
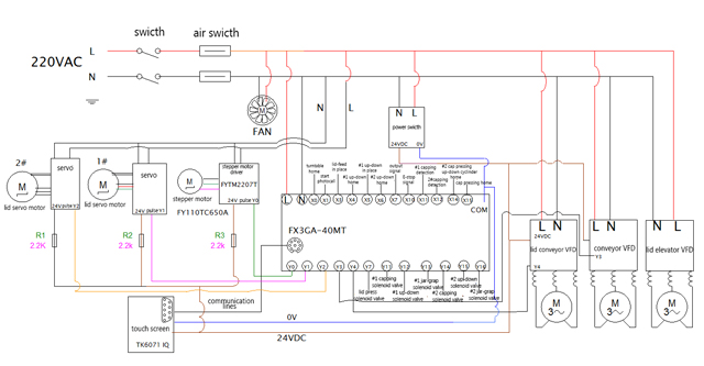
संलग्न विद्युतीय योजना:

तैयार सीलबंद कैप्स नमूने जार कैपिंग मशीन:





अंक: चौकोर काले जार के ढक्कन खरोंच लगने के कारण अतिसंवेदनशील होते हैं, इसलिए इसे पिक-अप सिस्टम के साथ डिज़ाइन किया गया है ताकि जार के ढक्कन को ट्रे से बाहर निकाला जा सके और उन्हें कैपिंग-तैयार स्टेशन में कैपिंग बंद करने की प्रक्रिया के लिए रखा जा सके। विस्तृत कार्य सिद्धांत को इस प्रकार दर्शाया गया है: कार्य प्रक्रिया:
1. ट्रे में कैप्स को मैन्युअल रूप से रखना (15*15 या 10*10)

2. ट्रे को रेडी-पिकअप स्टेशन में रखना
3. जार उठाते रोबोट

4. बोतलों को रखना और ढक्कन लगाने की प्रक्रिया पूरी करना
5. कैप्ड जार आउटपुट











